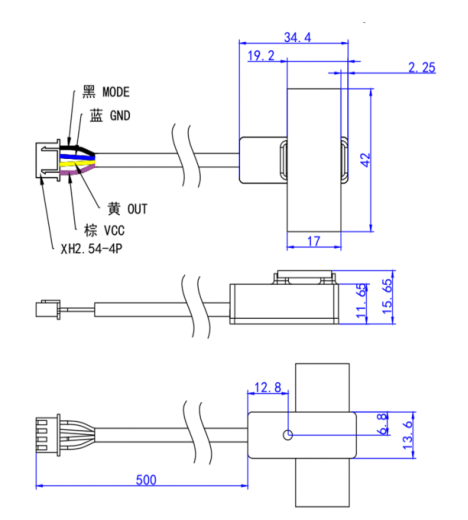
Ò»¡¢²úÆ·ÌØÐÔ:
1.XKC-Y26-XXX ·Ç½Ó´¥Ê½ÒºÎ»´«¸ÐÆ÷£¬ÊÊÓÃÓÚÖÖÖַǽðÊôÈÝÆ÷£¬²úƷͨ¹ý¼ì²âÐźŴ©Í¸·Ç½ðÊôÈÝÆ÷¡¢¹ÜµÀÍâ±Ú¸ÐÓ¦¼ì²âÒºÌåµÄ·½·¨£¬£¬¶øÎÞÐèÓëÒºÌåÖ±½Ó½Ó´¥£¬²»»áÊܵ½Ç¿ËáÇ¿¼îµÈ¸¯»¯ÐÔÒºÌåµÄ¸¯»¯£¬²»ÊÜË®¹¸»òÆäËûÔÓÎïÓ°Ï죬¼´¿ÉÍê³ÉÔÚÈÝÆ÷»ò¹ÜµÀÍâ¼ì²âÄÚ²¿ÓÐÎÞÒºÌå¡£
2.²úÆ·Éè¼ÆÖÇÄÜ»¯ÒºÎ»»ù×¼µ÷½â¼°ÒºÎ»Ó°Ïó¹¦Ð§£¬ÒºÎ»×´Ì¬ÏÔʾ·½·¨£¬¿ÉʵÏÖ¶àµã´®Áª½ÓÏß¿ØÖÆ·½·¨¡£¿ÉÖ§³ÖÆéá«µçÆ½Êä³ö¡¢NPN¡¢PNP ÐźÅÊä³ö¿ØÖÆ£¨Ñ¡ÐÍʱÓë³§¼Ò˵Ã÷¼´¿É£©¡£
3.¼ì²âҺλ׼ȷÎȶ¨£¬Àä¡¢ÈÈ¡¢·ÐÒºÌå½Ô¿É¼ì²â¡£
4.´¿µç×ӵ緽ṹ£¬·Ç»úеÊÂÇé·½·¨£¬ÐÔÄÜÎȶ¨£¬Á¬ÐøÊ¹ÓÃÊÙÃü³¤¡£
5.¸ßÎȶ¨ÐÔ£¬¸ßÁéÃô¶È£¬¿¹×ÌÈÅÄÜÁ¦Ç¿£¬²»ÊÜÍâ½çµç´Å×ÌÈÅ£¬Õë¶Ô¹¤Æµ×ÌÈż°¹²Ä£×ÌÈÅÓÐ×öÌØÊâ´¦Àí£¬ÒÔ¼æÈÝÊÐÃæÉÏËùÓÐµÄ 5~24V µçÔ´ÊÊÅäÆ÷¡£
6.ʹÓùæÄ£¹ã£¬¸ÐÓ¦ÄÜÁ¦Ç¿£¬¿É´©Í¸¼ì²âÖÖÖַǽðÊô²ÄÖʵÄÈÝÆ÷¡¢¹ÜµÀÄÚÒºÌåˮ룬ÈçËÜÁÏ¡¢²£Á§¡¢ÌմɵÈÈÝÆ÷£¬¸ÐÓ¦¹Ü±Úºñ¶È¿É´ï 20mm£»¿ÉÊÊÓÃÓÚÖÖÖÖÇúÃæ¡¢»¡ÐΡ¢Ô²ÖùÐεȲ»¹æÔòµÄÈÝÆ÷»ò¹ÜµÀµÄҺλ¼ì²â¡£
7.µçѹ¹æÄ£¿í£¨5~24V£©£¬ÊʺÏÁ¬½ÓÖÖÖֵ緼°²úÆ·Ó¦Óá£
¶þ¡¢ÊÂÇéÔÀí:
ÖÇÄÜÐͷǽӴ¥Ê½ÒºÎ»´«¸ÐÆ÷ÊÇÀûÓÃË®µÄ¸ÐÓ¦µçÈÝÀ´¼ì²âÊÇ·ñÓÐÒºÌå±£´æ£¬ÔÚûÓÐÒºÌå½Ó½ü´«¸ÐÆ÷ʱ£¬´«¸ÐÆ÷ÉÏÓÉÓÚÂþÑܵçÈݵı£´æ£¬Òò´Ë´«¸ÐÆ÷¶ÔµØ±£´æÒ»¶¨µÄ¾²Ì¬µçÈÝ£¬µ±ÒºÃæÂýÂýÉý¸ß½Ó½ü´«¸ÐÆ÷ʱ£¬ÒºÌåµÄ¼ÄÉúµçÈݽ«ñîºÏµ½´«¸ÐÆ÷¾²Ì¬µçÈÝÉÏ£¬Ê¹´«¸ÐÆ÷µÄµçÈÝÖµ±ä´ó£¬¸Ã±ä¸ïµÄµçÈÝÐźÅÔÙÊäÈëµ½¿ØÖÆ IC ½øÐÐÐźÅת»»£¬½«±ä¸ïµÄµçÈÝÁ¿×ª»»³Éµç·ÐźŵÄÄ£ÄâÁ¿±ä¸ï£¬ÔÙÓÉ MCU ÅÌËãºÍÅжÏÕâ¸ö±ä¸ïÁ¿µÄˮƽ£¬µ±Õâ¸ö±ä¸ïÁ¿Áè¼ÝÒ»¶¨µÄãÐֵʱ¾ÍÅжÏΪҺλµÖ´ï¸ÐÓ¦µã¡£
ÏîÄ¿Ãû³Æ | ²ÎÊý | |||
²úÆ·¹æ¸ñÐͺŠ| XKC-Y26-V | XKC-Y26-PNP | XKC-Y26-NPN | |
Ö±Á÷ÊäÈë µçѹ(Vin) | (DC 5-24V) | (DC 5-12V) (DC 24V) | (DC 5-12V) (DC 24V) | |
Êä³ö·½Ê½ | Æéá«µçÆ½ | ¿ª¹ØÁ¿(¸ßµçƽÓÐЧ) | ¿ª¹ØÁ¿(µÍµçƽÓÐЧ) | |
ºÄµçÁ÷ | ¡Ü5mA | |||
Êä³öµçѹ(¸ßµçƽ) | Vin | |||
Êä³öµçѹ(µÍµçƽ) | 0V | |||
Êä³öµçÁ÷ | ¡Ü100mA | |||
ÏìӦʱ¼ä | 500mS | |||
ÊÂÇéÇé¿öÎÂ¶È | -20~105¡æ | |||
¸ÐÓ¦ÁéÃô¶È | ¹ÜµÀÍâ¾¶ D(mm) | ¸ÐÓ¦ÈÝÆ÷±Ú»ò¹Ü±Úºñ¶È L(mm) | ||
D¡Ý100 | 20 ¡À 2 | |||
100>D¡Ý80 | 15 ¡À 2 | |||
80>D¡Ý60 | 12 ¡À 1.5 | |||
60>D¡Ý40 | 7 ¡À 1.0 | |||
40>D¡Ý30 | 5 ¡À 1.0 | |||
30>D¡Ý20 | 3 ¡À 1.0 | |||
20>D¡Ý10 | 1.5 ¡À 0.5 | |||
ÊÊÓùܵÀµÄÖ±¾¶¹æÄ£ | ¡Ý10mm | |||
Һλ¾«¶È | ¡À1.5mm | |||
ʪ¶È | 5%~100% | |||
²ÄÖÊ | PC V0 ·À»ðÁÏ | |||
·ÀË®ÐÔÄÜ | IP67 | |||
°²¹æ±ê×¼ÈÏÖ¤ | CE | |||
»·±£ÈÏÖ¤ | ROHS-2.0 | |||
